UG绘制零件图很方便,该怎么绘制机械配件图呢》下面我们就来看看详细的教程。

1、新建建模文件,选用在任务环境中绘制草图(随意面)。


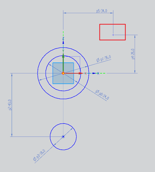
2、以坐标原点为圆心,绘出二个同心圆并修改好直径参数:35、24.

3、在Y的负轴上绘一直径为18的圆,距离原点:43.如果所绘的圆没在Y轴上,可用“点在线上”进行约束。

4、在右上方定一个参考点坐标(34,26).


5、参考点为圆心绘二同心圆,直径分别为:9、16;用直线在左侧将三个圆进行相切连接。

6、选用三点圆弧,在右侧将三个圆进行相切相连。如果三个点与圆不是相切关系,可以通过约束得到。



7、用修剪曲线,对Y轴下的圆进行修剪;在Y轴负方向上绘两等径的小圆,定位好后用直线从两侧相连,再用修剪曲线将多余的线修剪掉。草图完全约束,完成草图的绘制。



以上就是UG机械配件的设计方法,希望大家喜欢,请继续关注脚本之家。
相关推荐: