以前翻盖手机很经典,想要设计一款翻盖手机,该怎么设计呢?下面我们就来看看详细的教程。
一、创建手机的上盖
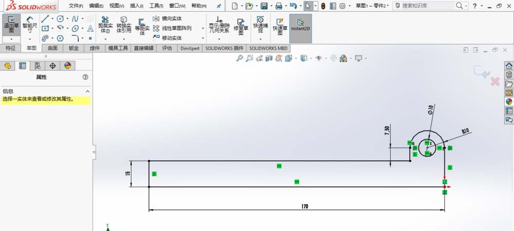
1、打开SolidWorks,新建一个零件模型。在前视基准面上绘制草图,创建拉伸特征,如图所示。


2、创建完整圆角,如图所示。

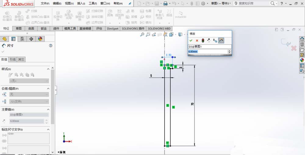
3、在图示端面绘制草图,创建切除特征,如图所示。


4、创建圆角2,半径为“5 mm”,如图所示。创建圆角3,半径为“8 mm”,如图所示。


5、至此,完成手机上盖的创建,保存模型。

二、创建手机的下盖
1、新建一个零件模型。在前视基准面上绘制草图,创建拉伸特征,如图所示。


2、创建完整圆角,如图所示。

3、创建切除-拉伸1,如图所示。

4、创建切除-拉伸2和切除-拉伸3,如图所示。


5、创建圆角2,半径为“5 mm”,如图所示。创建圆角3,半径为“8 mm”,如图所示。


6、至此,手机下盖创建完成,保存模型。

三、创建销轴
1、新建一个零件模型。在前视基准面上绘制草图,创建旋转特征,如图所示。


2、完成销轴的创建,保存模型。

四、装配模型
1、新建一个装配体,装配手机模型。

以上就是SolidWorks设计翻盖手机的教程,希望大家喜欢,请继续关注脚本之家。
相关推荐: