在使用SolidWorks进行产品设计时,常用的标准件(如螺栓、螺母、垫圈等)通常可以在安装了SolidWorksToolbox插件后调出使用,而许多标准件在Toolbox并不存在,不能从插件中直接调用。在用到这些零件时,设计人员常常因其尺寸、规格不同而进行重复设计,效率低、工作量大。针对这一问题,本文以“外六角螺塞”为例,详细介绍系列零件库的创建及使用方法。
1、创建默认零件
按照重型机械标准JB/ZQ4450-1997的“外六角螺塞M20×1.5”设计默认零件。
1)新建一个零件文件,进入草图绘制状态。
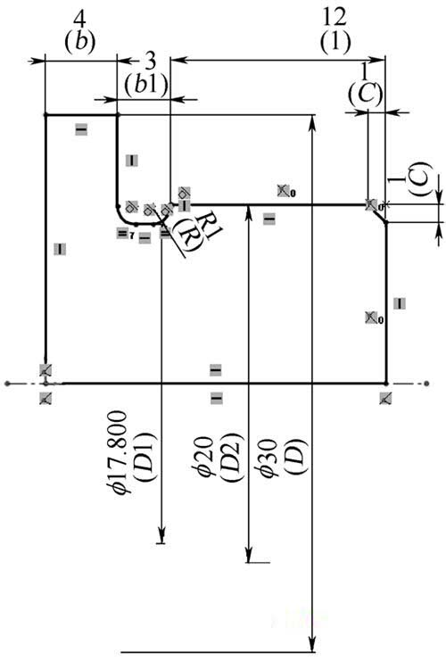
2)以“前视基准面”为草绘基准面,绘制草图。选择下拉菜单“视图/尺寸名称”,在绘图区草图中改变尺寸名称,如图1所示。

2、选择特征工具栏上的“旋转”命令,建立“旋转1”特征(见图2)。

3、以图2左端面为基准,绘制草图,选择特征工具栏上的“拉伸”命令,建立“凸台-拉伸1”特征,双击设计树中的“凸台-拉伸1”特征,在绘图区零件上修改尺寸名称,如图3所示。将文件保存为“外六角螺塞JB4450-1997.SLDPRT”(螺纹特征创建略)。

4、创建系列零件设计表
1)新建MicrosoftExcel工作表,在单元格A1中输入“规格”,分别双击SolidWorks设计树中的“旋转1”,“凸台-拉伸1”特征,在绘图区中选择零件尺寸,在弹出的对话框中将主要值分别复制、粘贴到B1K1单元格。 2)按国标输入每种规格的螺塞所对应的参数值,将文件保存为“外六角螺塞设计表.xls”,如图4所示。

5、插入系列零件设计表
1)选择下拉菜单“插入/表格/设计表”,打开“系列零件设计表”对话框,选择“来自文件”,点击“浏览”按钮,找到“外六角螺塞设计表.xls”后确定,在绘图区域弹出Excel表格,在空白处单击退出。
2)单击ConfigurationManager按钮,进入配置管理,双击各配置,观察零件的变化。
6、创建零件库
在设计库中选择“DesignLibrary”点击右键,在快捷菜单中选择“新文件夹”,并将新文件夹重命名为“管路附件”,如图5所示。

7、在设计树中选择“外六角螺塞JB4450-1997”,点击右键,选择“添加到库”命令,打开“添加到库”对话框,将文件保存到文件夹“管路附件”中,完成零件库的创建,如图6所示。

8、零件库调用
在装配体环境中,选择设计库中“管路附件”文件夹下的“外六角螺塞JB4450-1997”文件,拖放入装配区域,弹出“选择配置”对话框,在对话框中即可选择所需零件的规格,如图7所示。

9、选择已调出的零件,点击右键,在快捷菜单中选择“配置零部件”命令,弹出“修改配置”对话框。单击配置栏右侧的下拉菜单可重新选择零件配置,更改零件的规格,如图8所示。

结语:
通过这种方法,可以设计SolidWorksToolbox插件中缺少的标准件库,也可以将自己常用的系列零件制作成零件库。这样,我们在设计建模时可以方便地从设计库中直接调用所需要的零件,提高设计效率,避免同类型零件重复设计。
相关推荐: