本文实例为大家分享了OpenCV识别提取图像中的水平线与垂直线,供大家参考,具体内容如下
1).原理
图像形态学操作时候,可以通过自定义的结构元素实现结构元素 对输入图像一些对象敏感、另外一些对象不敏感,这样就会让敏感的对象改变而不敏感的对象保留输出。通过使用两个最基本的形态学操作 – 膨胀与腐蚀,使用不同的结构元素实现对输入图像的操作、得到想要的结果。
-膨胀,输出的像素值是结构元素覆盖下输入图像的最大像素值

-腐蚀,输出的像素值是结构元素覆盖下输入图像的最小像素值

常见的形状:矩形、园、直线、磁盘形状、砖石形状等各种自定义形状。
2).步骤
1.输入图像彩色图像 imread
2.转换为灰度图像 – cvtColor
3.转换为二值图像 – adaptiveThreshold
4.定义结构元素
5.开操作 (腐蚀+膨胀)提取 水平与垂直线
3).完整代码
(本人的运行环境是:vs2017+OpenCV3.4)
#include <opencv2/opencv.hpp>
#include <iostream>
#include <math.h>
using namespace std;
using namespace cv;
//灰度化图像
Mat gray_Img(Mat src)
{
Mat dst = Mat::zeros(src.size(), src.type());
cvtColor(src, dst, CV_BGR2GRAY);
return dst;
}
//自适应阈值(二值化图像)
Mat threshold_Img(Mat src)
{
Mat dst = Mat::zeros(src.size(), src.type());
//参数:输入, 输出, 二值图像的最大值 , 在一个邻域内计算阈值所采用的算法,有两个取值分别为 ADAPTIVE_THRESH_MEAN_C 和 ADAPTIVE_THRESH_GAUSSIAN_C , 阈值类型只有两个取值,分别为 THRESH_BINARY 和THRESH_BINARY_INV,(blockSize)adaptiveThreshold的计算单位是像素的邻域块,邻域块取多大就由这个值作决定, 偏移值调整量
adaptiveThreshold(~src, dst, 255, ADAPTIVE_THRESH_MEAN_C, THRESH_BINARY, 15, -2);
return dst;
}
//结构元素(获取垂直算子)
Mat get_Vertical(Mat src)
{
Mat dst = Mat::zeros(src.size(), src.type());
return getStructuringElement(MORPH_RECT,Size(src.cols/16,1),Point(-1,-1));
}
//结构元素(获取水平算子)
Mat get_Horizontal(Mat src)
{
Mat dst = Mat::zeros(src.size(), src.type());
return getStructuringElement(MORPH_RECT, Size(1, src.rows / 16), Point(-1, -1));
}
//腐蚀
Mat erode_Img(Mat src,Mat kernel)
{
Mat dst = Mat::zeros(src.size(), src.type());
erode(src, dst, kernel);
return dst;
}
//膨胀
Mat dilate_Img(Mat src, Mat kernel)
{
Mat dst = Mat::zeros(src.size(), src.type());
dilate(src, dst, kernel);
return dst;
}
int main()
{
Mat src = imread("001.png");
if (src.empty())
{
cout << "fail to load image" << endl;
return -1;
}
namedWindow("input_Img", 0);
imshow("input_Img", src);
//输入图像转灰度
Mat grayImg = gray_Img(src);
namedWindow("input_Img_gray", 0);
imshow("input_Img_gray", grayImg);
//二值化图像
Mat thresholdImg = threshold_Img(grayImg);
namedWindow("input_Img_threshold", 0);
imshow("input_Img_threshold", thresholdImg);
Mat verticalLine = get_Vertical(src);
Mat horizontalLine = get_Horizontal(src);
//先腐蚀再膨胀
Mat vertical_Line_erode = erode_Img(thresholdImg, verticalLine);
Mat vertical_Line_dilate = dilate_Img(vertical_Line_erode, verticalLine);
//显示图像中的垂直线
namedWindow("verticalLine", 0);
imshow("verticalLine", vertical_Line_dilate);
Mat horizontal_Line_erode = erode_Img(thresholdImg, horizontalLine);
Mat horizontal_Line_dilate = dilate_Img(horizontal_Line_erode, horizontalLine);
//显示图像中的垂直线
namedWindow("horizontalLine", 0);
imshow("horizontalLine", horizontal_Line_dilate);
waitKey();
return 0;
}
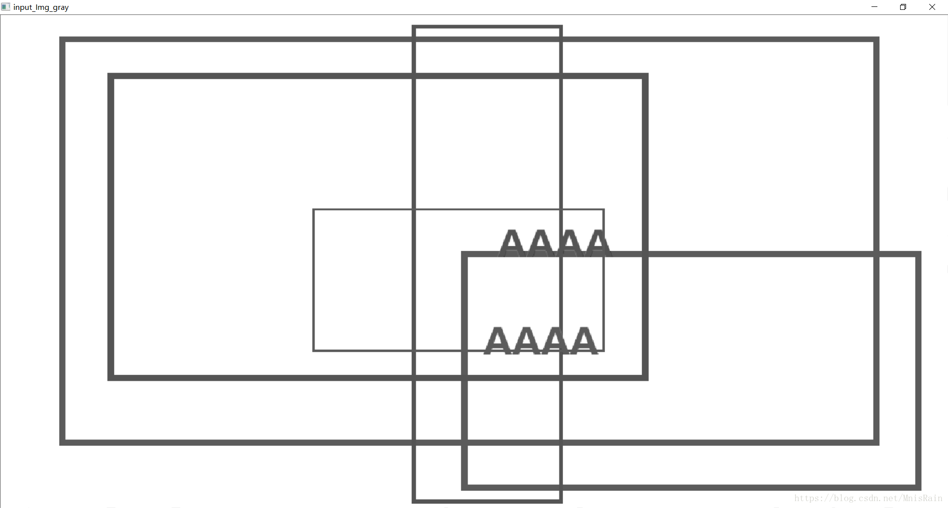
4).我的运行结果
1.灰度化结果

2.二值化

3.提取的垂直线

4.提取的水平线

以上就是本文的全部内容,希望对大家的学习有所帮助,也希望大家多多支持脚本之家。