CAD2020怎么修改主题颜色? CAD2020主题颜色的设置方法

所属分类: 媒体动画 / AutoCAD 阅读数: 85
收藏 0 赞 0 分享

CAD2020中想要更换默认的主题颜色,该怎么更换注意颜色呢?下面我们就来看看详细的教程。

1、首先,我们打开我们的电脑,然后打开AutoCAD2020

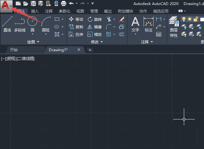
2、之后点击A标边上的下拉箭头

3、然后点击选项

4、之后选择显示

5、然后点击颜色主题边上的下拉箭头

6、之后我们选择明

7、然后我们点击确定

8、结果如图所示,这样我们就更改了颜色主题了

以上就是CAD2020主题颜色的设置方法,希望大家喜欢,请继续关注脚本之家。

相关推荐:

cad绘制的图形怎么填充颜色?

CAD图纸怎么修改同一类型元素的颜色?

CAD2007怎么填充渐变色? cad图案填充颜色的教程

更多精彩内容其他人还在看

cad剖切命令怎么使用?

cad剖切命令怎么使用?cad是画图常用的软件,其中剖切又是三维图形所必须的操作之一,这个操作可以让你更容易的创建一个你想要的三维实体出来,下面就来看一下如何使用剖切命令吧
收藏 0 赞 0 分享

CAD中虚线不显示该怎么调?

CAD中虚线不显示该怎么调?CAD文件中虚线显示不出来有两个原因,下面我们一起来看看是哪两个问题造成cad虚线不显示,以及解决办法,需要的朋友可以参考下
收藏 0 赞 0 分享

CAD怎么画立体图?CAD怎画圆锥体的教程

CAD怎么画立体图?在使用CAD时我们常常都是使用CAD来进行平面图形的绘制,但是cad其实也强大的立体图绘制功能,下面分析那个CAD怎画圆锥体的教程,需要的朋友可以参考下
收藏 0 赞 0 分享

CAD如何画立体图?CAD画圆锥体方法

CAD如何画立体图?对于一些新手来说,很多朋友都不知道怎么绘制,其实方法很简单,下面小编就为大家CAD画圆锥体方法,希望能对大家有所帮助
收藏 0 赞 0 分享

CAD怎么新建图层图纸?

CAD怎么新建图层图纸?当大家时用CAD一段时间后,对命令有了一定的了解,开始画复杂图形的时候,会用到图层的命令,图层方便同一属性的管理,比如画可以区分自己所画的辅助线和实例图
收藏 0 赞 0 分享

CAD2010文档图纸怎么设置降级保存?

CAD2010文档图纸怎么设置降级保存?最近再练CAD ,学会了一些小技巧,今天就教教大家2010怎样降级保存文件,以方便在07或04的CAD上看,需要的朋友可以参考下
收藏 0 赞 0 分享

CAD拉伸命令S不能移动怎么办?

CAD拉伸命令S不能移动怎么办?在CAD中拉伸命令S不能拉伸块的原因,其实很简单。块的基点没在块上,离块太远了,所以用S命令框选的时候没选上基点,下面分享解决办法
收藏 0 赞 0 分享

怎么给cad文件夹设置密码加密?

怎么给cad文件夹设置密码加密?经常用cad画一些设计图纸,然后存放在文件夹里面,有的时候关电脑不放心,怕被人偷走自己的设计,下面分享加密的方法,需要的朋友可以参考下
收藏 0 赞 0 分享

2010版cad 更改背景颜色图文教程

这篇教程是向脚本之家的朋友介绍2010版cad 更改背景颜色方法,教程很不错,对于不知道怎么操作的朋友很有借鉴方法 ,一起来看看吧
收藏 0 赞 0 分享

windows系统怎么纯净安装CAD2007?

windows系统怎么纯净安装2007CAD?cad是绘图相关室内设计,装修,园林设计的都用的到这个软件,但是很多人不会安装,下面分享cad2007的安装方法,需要的朋友可以参考下
收藏 0 赞 0 分享
查看更多