这个练习题是需要多向思维才可以做出来的,因为有一个R48的圆的圆心没有办法做定位,所以这也就是这个图形的关键所在。以下我来讲解如何绘制图这个图形。

1、做中心线,确定好我们所需的主体关键定位点。
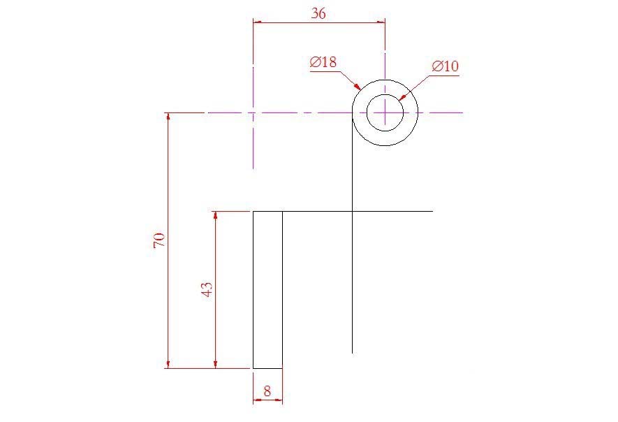
2、找到中心线交点,画直径18和直径10的圆,以垂直距离70的下水平中心线做偏移,水平偏移8,向上偏移43,偏移上来的这条线向右边多拉长一点,在直径18的圆的左边的象限点为起点,做一条垂直线向下延长
3、用圆角命令,做半径14的圆,以上一步两条延长并相交的直线做圆角。用偏移的命令,将半径14的圆向外(也是向右下方)偏移4,用圆角命令,做半径5,半径6,半径2的圆弧
4、用水平距离为8的右边那条垂直线为参照,以条线上的中心为圆心,绘制一个半径12的圆,然后再把这个圆向右边移动12,让其与垂直线相切,用画圆命令里的(相切、相切+半径)绘制半径48的圆。(两个切点分别在半径12的圆和直径18的圆上)
5、把上方的水平中心线向下偏移5。关键操作说明:把半径12、半径48的圆向下移动一些距离,要移多少呢?看以下说明:我们知道半径48的圆的圆心是在刚才垂直偏移下来5mm的这条线上,但,但水平距离我们是不知道的,所以才用到刚才半径12的圆来做参照了。
输入移动命令(简写:M)。选择半径12、半径48的圆,以半径48的圆的圆心为移动基点,垂直向下移动到5mm的中心线上的垂直点上即可。(注意,这个时候一定要打开正交模式),效果如图
6、最后把图形多余的元素修剪掉,再做尺寸标注,完成。
相关推荐: