creo4.0工程图尺寸公差怎么标注?

所属分类: 软件教程 / 图形图像 阅读数: 943
收藏 0 赞 0 分享

creo4.0工程图想要创建尺寸公差,该怎么创建呢?下面我们就来看看详细的教程。

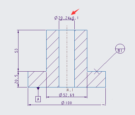
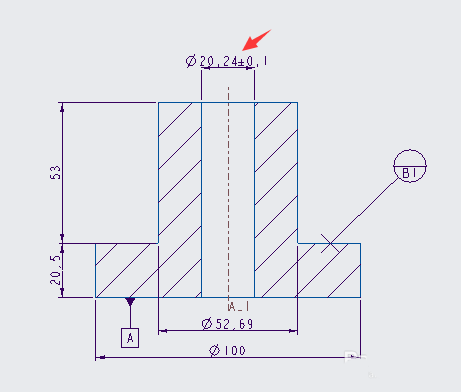
1、打开creo4.0软件,打开一个工程图文件。如下图

2、切换到“注释”功能选项。

3、双击Φ20.24尺寸。

4、在弹出的尺寸控制板中,单击“公差”,在弹出的方式选择“对称”。

5、单击“公差标”右边的下拉按钮,选择“无”,在公差值栏输入(0.1)。

6、完尺寸公差的创建。

以上就是creo4.0工程图尺寸公差的标注方法,希望大家喜欢,请继续关注脚本之家。

相关推荐:

creo4.0工程图怎么创建基准轴?

creo4.0两种框选选取方法有什么区别?

creo4.0怎么自定义设置模型的参数?

更多精彩内容其他人还在看

XMind7如何导出甘特图为图片 xmind 7导出甘特图教程

甘特图是思维导图中用来进行项目管理的最佳手段,XMind 7不光能够进行甘特图操作还能将成果进行导出,保存为多种格式
收藏 0 赞 0 分享

solidworks怎么绘制钣金成型工具?

solidworks怎么绘制钣金成型工具?使用钣金成型工具绘制图形很简单,但是很多情况下也有可能导致绘制不成型,该怎么办呢?下面分享solidworks钣金成型工具的使用方法,需要的朋友可以进来参考一下
收藏 0 赞 0 分享

Adobe Flash Player 20.0.0.267更新下载:重要Bug修复和安全更新

Adobe Flash Player又再次更新了,这次版本号是20.0.0.267,主要为大家带来了重要Bug修复和安全更新,建议网友们尽快下载更新
收藏 0 赞 0 分享

美图秀秀怎么快速做出分割字效果?

分割字是在美图秀秀中一个比较复杂的功能,对于大多数用户来说可能都没有听所过这个,但是,一旦掌握了这个技巧,我们就能随意将字体分割,形成比较具有个性化的分割字。那么美图秀秀怎么快速做出分割字效果?下面我们来看看吧
收藏 0 赞 0 分享

PS CC滤镜库无法兼容Mac OS X 10.10.5,且更新不了的解决方法

下面小编为大家介绍PS CC滤镜库无法兼容Mac OS X 10.10.5,且更新不了的解决方法,对于碰到同样问题却不知道怎么解决的朋友可以参考本文,希望这篇文章能对大家有所帮助
收藏 0 赞 0 分享

用美图秀秀快速给图片添加漂亮的饰品

如果想要在下载的图片上加上一些装饰品,小物件怎么办呢?今天小编为大家分享用美图秀秀快速给图片添加漂亮的饰品方法,不会的朋友快快来学习吧
收藏 0 赞 0 分享

win10系统中怎么删除Adobe Reader残余文件夹CMap?

win10系统中怎么删除Adobe Reader残余文件夹CMap?电脑中Adobe ReaderPDF阅读器怎么中残余文件夹cmap很大,该怎么办呢?怎么删除?下面分享win10删除adobe残余的方法
收藏 0 赞 0 分享

美图秀秀背景虚化特效该怎么做?美图秀秀虚拟背景的制作方法

美图秀秀背景虚化特效该怎么做?之前背景虚化都是在ps中做的,虽然不麻烦,但是ps软件很大,安装很麻烦,现在使用美图秀秀也可以做虚化背景啦,下面分享美图秀秀虚拟背景的制作方法
收藏 0 赞 0 分享

faststone capture截图神器怎么更改图片默认保存格式?

faststone capture截图神器怎么更改图片默认保存格式?使用faststone capture截图是png格式的,太大了,想设置成jpg格式的该怎么设置呢?下面分享faststone capture更改截图默认格式的教程
收藏 0 赞 0 分享

ACDSee怎么量重命名?acdsee重命名的详细教程

ACDSee怎么量重命名?很多图片的格式和名称是不和要求的,想改成统一规范的图片文件名,一个一个的修改太慢了,怎么批量修改呢?下面分享acdsee重命名的详细教程,需要的朋友可以参考下
收藏 0 赞 0 分享
查看更多