在使用表格时,我们都会对页面进行一些设置,怎样让表格相对于页面居中呢,小编下面来教给大家!

方法/步骤
绘制好表格之后,点击工具栏中的‘页面布局’,在页面设置中点击右下方的小三角

出现图中所示界面,点击‘版式’

在‘垂直对齐方式’中选择居中

好了之后点击确定,表格就居中了


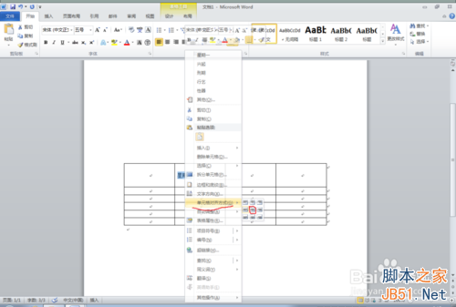
主意,这是表格整体居中,要是想单元格中内容居中是这样的,选中字,右击选择‘单元格对齐方式’‘选择自己需要的就可以了。区分好自己需要的设置方式,不要出错了。。

以上就是在word中将表格整体相对于页面居中设置方法介绍,希望对大家有所帮助!